Конструкция:
Корпус светильника изготовлен из алюминия.
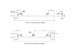
Тип 1 – светильник без сквозной проводки оснащён кабелем длиной 1м.
Тип 2 – светильник со сквозной проводкой оснащён двумя выводами кабеля для шлейфового подключения.
Источник питания — выносной, напряжение 24В DС, заказывается отдельно (в зависимости от количества подключаемых светильников).
Технические характеристики:
Цветовая температура — 3000К, 4000К.
R – красный (634 Нм).
G – зелёный (521 Нм).
B – синий (465 Нм).
RGB.
Рассеиватель – матовый полимерный материал.
Степень защиты — IP68.
Окраска:
Светильник окрашен по порошковой технологии.
Цвет изделия выбирается из базовой палитры или из каталога цветов RAL.
Установка:
Светильник устанавливается на поверхность стен с помощью кронштейнов (входят в комплект).
| Код | Длина, мм | Кол-во кронштейнов, шт. | Мощность, Вт | Световой поток*, лм | Вес, кг |
| MicroLine 1/2 300 4K | 314 | 2 | 3,6 | 237,6 | 0,17 |
| MicroLine 1/2 500 4K | 514 | 2 | 6 | 396 | 0,24 |
| MicroLine 1/2 600 4K | 614 | 2 | 7,2 | 475,2 | 0,27 |
| MicroLine 1/2 800 4K | 814 | 2 | 9,6 | 633,6 | 0,35 |
| MicroLine 1/2 1000 4K | 1014 | 2 | 12 | 792 | 0,42 |
| MicroLine 1/2 1200 4K | 1214 | 3 | 14,4 | 950,4 | 0,51 |
| MicroLine 1/2 1500 4K | 1514 | 3 | 18 | 1188 | 0,65 |
| MicroLine 1/2 2500 4K | 2514 | 4 | 30 | 1980 | 1,1 |
*Световой поток в таблице указан для варианта 4000к Код для заказа состоит из кода изделия, кол-во выводов кабеля, кода цветовой температуры и кода цвета изделия из базовой палитры, например: MicroLine 600 3K W/MR RAL 9016



