Конструкция:
Система состоит из стальной опоры с горячим цинкованием и светильника.
Антикоррозийное покрытие опоры – горячее цинкование.
Окраска:
Система окрашена по порошковой технологии.
Цвет изделия выбирается из базовой палитры или из каталога цветов RAL.
Световая часть:
Основной световой модуль – прозрачный поликарбонат.
Верхний декоративный светодиодный модуль – опаловый поликарбонат.
Степень защиты IP65.
Светодиоды с цветовой температурой 2700К или 4000К.
Декоративный модуль по запросу может быть с цветными диодами или RGBW.
Индекс цветопередачи СRI>80.
Управление освещением:
Возможность установки NEMA-разъема.
Другой тип управления – по запросу.
Установка:
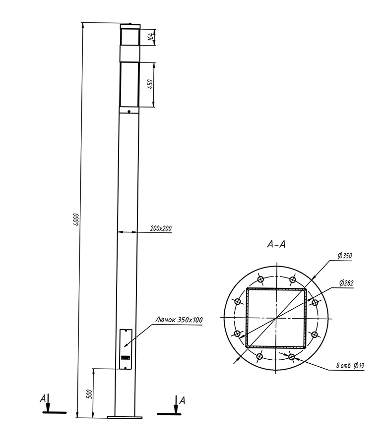
Опора крепится к закладной фланцевым способом.
Подключение к сети 220В осуществляется в лючке опоры.
Дополнительное оборудование (заказывается отдельно):
Закладная деталь FM8.
| Код |
Н, м
|
Светильники
|
Мощность, Вт
|
Световой поток, лм
|
Вес, кг
|
| MAJAK KVADRO | 4,0 | декор.свет.модуль | 6 | RGBW | 156 |
| основной свет | 28 | 2700 |
*Световой поток в таблице указан для варианта 2700К. Код для заказа опоры состоит из кода изделия, кода цветовой температуры и кода цвета изделия из базовой палитры, например: MAJAK KVADRO 27K — BLK/MR RAL 9005

